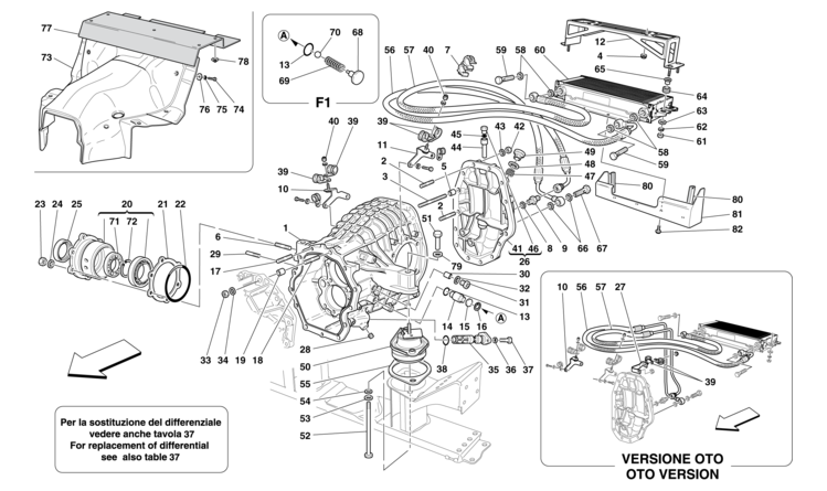
Ferrari Philadelphia Parts

Table 32
Ref.Part#Qty.DescriptionPrice
02004311
GEARBOX HOUSING ASSEMBLY -Applicable up to gearbox No. 197- -Applicable up to engine No. 90177-

Part#: 200431 Qty: 1

02104921
GEARBOX HOUSING ASSEMBLY -Applicable from gearbox No. 3- -Applicable from engine No. 90178 up to engine No. 112142- -Applicable until depletion-

Part#: 210492 Qty: 1

02274081
GEARBOX HOUSING ASSEMBLY -Applicable from gearbox No. 1368- -Applicable from engine No. 112143- -Applicable after depletion of 210492-

Part#: 227408 Qty: 1

12104941
4th SECTION OF GEARBOX HOUSING -With complete gearbox housing 200431 and 210492-

Part#: 210494 Qty: 1

12274101
4th SECTION OF GEARBOX HOUSING -Supplied with complete gearbox housing, 227408-

Part#: 227410 Qty: 1

21354362410
STUD BOLT
$0.46

Part#: 13543624 Qty: 10$0.46

3135437244
STUD BOLT
$1.50

Part#: 13543724 Qty: 4$1.50

4140481154
NUT -No longer supplied- -Replaced by 14058411-

Part#: 14048115 Qty: 4

4140584114
NUT

Part#: 14058411 Qty: 4

51027042
CENTRING DOWEL
$3.29

Part#: 102704 Qty: 2$3.29

61354622412
STUD BOLT
$14.09

Part#: 13546224 Qty: 12$14.09

71407282
FASTENER CLIP

Part#: 140728 Qty: 2

8102599601
GASKET
$1.00

Part#: 10259960 Qty: 1$1.00

91981411
CONNECTOR -Applicable up to gearbox No. 208- -Applicable until depletion-

Part#: 198141 Qty: 1

92177881
CONNECTOR -Applicable from gearbox No. 209- -Applicable after depletion of 198141-

Part#: 217788 Qty: 1

101990171
RH BRACKET -Not for ''OTO''-

Part#: 199017 Qty: 1

102446811
RH BRACKET -Applicable for ''OTO''-

Part#: 244681 Qty: 1

111990181
LH BRACKET

Part#: 199018 Qty: 1

122022941
OIL RADIATOR MOUNTING BRACKET

Part#: 202294 Qty: 1

13144533811
O-RING
$2.33

Part#: 14453381 Qty: 1$2.33

141537191
ROD -Not for F1 gearbox-

Part#: 153719 Qty: 1

151546981
PAD -Not for F1 gearbox-

Part#: 154698 Qty: 1

16110574761
SEEGER RING

Part#: 11057476 Qty: 1

17135435246
STUD BOLT
$4.36

Part#: 13543524 Qty: 6$4.36

18135436241
STUD BOLT
$0.46

Part#: 13543624 Qty: 1$0.46

191027042
CENTRING DOWEL
$3.29

Part#: 102704 Qty: 2$3.29

201890981
COMPLETE RH DIFFERENTIAL COVER

Part#: 189098 Qty: 1

201891001
COMPLETE LH DIFFERENTIAL COVER

Part#: 189100 Qty: 1

211500992
DIFFERENTIAL COVER SHIM -Th. 1.3 mm-

Part#: 150099 Qty: 2

211501000
DIFFERENTIAL COVER SHIM -Th. 1.4 mm-

Part#: 150100

211501010
DIFFERENTIAL COVER SHIM -Th. 1.5 mm-

Part#: 150101

211501020
DIFFERENTIAL COVER SHIM -Th. 1.6 mm-

Part#: 150102

211501030
DIFFERENTIAL COVER SHIM -Th. 1.7 mm-

Part#: 150103

211501040
DIFFERENTIAL COVER SHIM -Th. 1.8 mm-

Part#: 150104

211501050
DIFFERENTIAL COVER SHIM -Th. 1.9 mm-

Part#: 150105

211501060
DIFFERENTIAL COVER SHIM -Th. 1.45 mm-

Part#: 150106

211501070
DIFFERENTIAL COVER SHIM -Th. 1.55 mm-

Part#: 150107

211501080
DIFFERENTIAL COVER SHIM -Th. 1.65 mm-

Part#: 150108

211753780
DIFFERENTIAL COVER SHIM -Th. 1.75 mm-

Part#: 175378

22144613812
O-RING
$9.86

Part#: 14461381 Qty: 2$9.86

231216472112
NUT
$1.65

Part#: 12164721 Qty: 12$1.65

241260147412
WASHER

Part#: 12601474 Qty: 12

251816181
RH GASKET
$71.59

Part#: 181618 Qty: 1$71.59

251816171
LH GASKET
$72.50

Part#: 181617 Qty: 1$72.50

262224741
COMPL. REAR GEARBOX HOUSING COVER

Part#: 222474 Qty: 1

272139341
BRACKET -Applicable for ''OTO''-

Part#: 213934 Qty: 1

28143260501
CAP
$2.67

Part#: 14326050 Qty: 1$2.67

29161830211
SCREW

Part#: 16183021 Qty: 1

301153763
BUSHING
$55.77

Part#: 115376 Qty: 3$55.77

311507311
CAP
$6.25

Part#: 150731 Qty: 1$6.25

32102824601
GASKET
$0.75

Part#: 10282460 Qty: 1$0.75

331610081213
NUT -No longer supplied- -Replaced by 16100811-

Part#: 16100812 Qty: 13

331610081113
NUT

Part#: 16100811 Qty: 13

341260137413
WASHER
$0.49

Part#: 12601374 Qty: 13$0.49

351439391
GEARBOX OIL FILTER -No longer supplied- -Replaced by 251638-
$100.18

Part#: 143939 Qty: 1$100.18

352516381
GEARBOX OIL FILTER
$995.19

Part#: 251638 Qty: 1$995.19

36111992772
WASHER

Part#: 11199277 Qty: 2

37109776242
SCREW

Part#: 10977624 Qty: 2

381821191
O-RING
$3.35

Part#: 182119 Qty: 1$3.35

39104415904
BRACKET WITH SHEATH
$0.46

Part#: 10441590 Qty: 4$0.46

401027412
NUT
$0.75

Part#: 102741 Qty: 2$0.75

411902401
REAR GEARBOX HOUSING COVER -Replaced by 222474 ref. 80- -Applicable until depletion- -No longer supplied-

Part#: 190240 Qty: 1

412150201
REAR GEARBOX HOUSING COVER -Replaced by 222474 ref. 80- -Applicable after depletion of 190240- -No longer supplied-

Part#: 215020 Qty: 1

421610081214
NUT -No longer supplied- -Replaced by 16100811-

Part#: 16100812 Qty: 14

421610081114
NUT

Part#: 16100811 Qty: 14

431260137414
WASHER
$0.49

Part#: 12601374 Qty: 14$0.49

441535001
EXTENSION FOR OIL BREATHER -Applicable for rear cover 190240 ref. 41-
$17.58

Part#: 153500 Qty: 1$17.58

45134154001
OIL SEAL DISC FOR BREATHER -Applicable for rear cover 190240 ref. 41-

Part#: 13415400 Qty: 1

46134146911
OIL BREATHER -Applicable for rear cover 190240 ref. 41- -Replaced by 222474 ref. 80- -No longer supplied-
$11.50

Part#: 13414691 Qty: 1$11.50

461977971
OIL BREATHER -Applicable for rear cover 215020 ref. 41- -Replaced by 222474 ref. 80- -No longer supplied-

Part#: 197797 Qty: 1

471122541
THREADED INSERT
$6.90

Part#: 112254 Qty: 1$6.90

48102634601
GASKET
$1.00

Part#: 10263460 Qty: 1$1.00

49102750111
THREADED PLUG
$3.90

Part#: 10275011 Qty: 1$3.90

501968682
ELASTIC BUSHING
$947.07

Part#: 196868 Qty: 2$947.07

511968882
LOCATOR STUD

Part#: 196888 Qty: 2

521959664
SCREW -No longer supplied- -Replaced by 166798-

Part#: 195966 Qty: 4

521667984
SCREW -No longer supplied- -Replaced by 232920-

Part#: 166798 Qty: 4

522329204
SCREW

Part#: 232920 Qty: 4

53144966244
WASHER -No longer supplied- -Replaced by 126648-

Part#: 14496624 Qty: 4

531266484
WASHER
$1.75

Part#: 126648 Qty: 4$1.75

54126014744
WASHER

Part#: 12601474 Qty: 4

551963332
ENGINE BUSHING MOUNTING PLATE -No longer supplied- -Replaced by 249915-

Part#: 196333 Qty: 2

552499152
ENGINE BUSHING MOUNTING PLATE

Part#: 249915 Qty: 2

562033231
OIL RETURN PIPE -Not for ''OTO''-

Part#: 203323 Qty: 1

562434291
OIL RETURN PIPE -Applicable for ''OTO''-

Part#: 243429 Qty: 1

572033221
OIL DELIVERY PIPE -Not for ''OTO''-

Part#: 203322 Qty: 1

572434281
OIL DELIVERY PIPE -Applicable for ''OTO''-

Part#: 243428 Qty: 1

58102615604
GASKET
$1.00

Part#: 10261560 Qty: 4$1.00

59101819112
PIPE UNION

Part#: 10181911 Qty: 2

602005341
GEARBOX OIL RADIATOR

Part#: 200534 Qty: 1

61140481153
NUT -No longer supplied- -Replaced by 14058411-

Part#: 14048115 Qty: 3

61140584113
NUT

Part#: 14058411 Qty: 3

621274943
WASHER
$0.65

Part#: 127494 Qty: 3$0.65

63126444243
WASHER
$0.50

Part#: 12644424 Qty: 3$0.50

641035493
CABLE GROMMET
$1.80

Part#: 103549 Qty: 3$1.80

651497073
SHIM
$1.97

Part#: 149707 Qty: 3$1.97

66102599602
GASKET
$1.00

Part#: 10259960 Qty: 2$1.00

671955891
PIPE UNION

Part#: 195589 Qty: 1

681935781
BUSHING -Applicable for F1 gearbox-

Part#: 193578 Qty: 1

691007504
SPRING -Applicable for F1 gearbox-
$2.49

Part#: 100750 Qty: 4$2.49

701016124
BALL -Applicable for F1 gearbox-
$1.90

Part#: 101612 Qty: 4$1.90

711849951
BALL BEARING

Part#: 184995 Qty: 1

721857231
SEEGER RING
$6.80

Part#: 185723 Qty: 1$6.80

73669640001
HEAT SHIELD -Applicable up to Ass. No. 77253- -Applicable for F1 gearbox- -Applicable until depletion-

Part#: 66964000 Qty: 1

73809926001
HEAT SHIELD -Applicable from Ass. No. 77254- -Applicable for F1 gearbox-

Part#: 80992600 Qty: 1

73676222001
HEAT SHIELD -Applicable up to Ass. No. 77253- -Not for F1 gearbox- -Applicable until depletion-

Part#: 67622200 Qty: 1

73809927001
HEAT SHIELD -Applicable from Ass. No. 77254- -Not for F1 gearbox-

Part#: 80992700 Qty: 1

74109023808
SCREW

Part#: 10902380 Qty: 8

75144886708
WASHER -No longer supplied- -Replaced by 12648978-

Part#: 14488670 Qty: 8

75126489788
WASHER
$0.42

Part#: 12648978 Qty: 8$0.42

76126437708
WASHER -No longer supplied- -Replaced by 12648978-

Part#: 12643770 Qty: 8

76126489788
WASHER
$0.42

Part#: 12648978 Qty: 8$0.42

761264370110
WASHER -Applicable for shields 80992700 and 80992600 ref. 73-

Part#: 12643701 Qty: 10

77669656001
SHIELD

Part#: 66965600 Qty: 1

78142280765
PLATE -No longer supplied- -Replaced by 68313900-

Part#: 14228076 Qty: 5

78683139005
PLATE

Part#: 68313900 Qty: 5

79126018792
WASHER

Part#: 12601879 Qty: 2

802458052
VIBRATION DAMPER

Part#: 245805 Qty: 2

812342461
GUARD

Part#: 234246 Qty: 1

821698143
SCREW
$1.58

Part#: 169814 Qty: 3$1.58